-
20 载
电测设备“智”造商
400-8818-755
-
-
-
20 载
电测设备“智”造商
400-8818-755
-
20 载
电测设备“智”造商
400-8818-755
-
20 载
电测设备“智”造商
400-8818-755
1.引言
串联谐振技术应用在感应加热、逆变焊机等高频逆变器中,能实现主开关管的ZCS或ZVS,有效提高功率因素,实现大功率输出,本文介绍一种高频高压串联谐振技术,它将三相市电经整流与逆变后输出中压方波,升压变压器将逆变器的输出提升到一定电压再利用变压器的漏感与负载串联谐振,达到所要求的负载电压,此技术应用前景广阔,在臭氧发生器、材料表面处理及污水净化中都有应用。
2.系统结构及工作原理
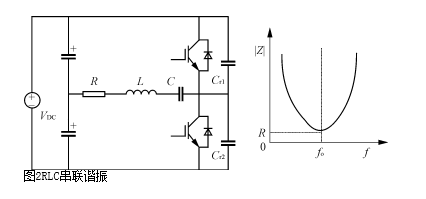
图1给出了高压串联谐振电源系统框图,本电源是为材料表面处理设备研制的,它包括:三相AC/DC变换器、电压型半桥串联谐振逆变器、超音频升压变压器和负载,超音频变压器用于负载阻抗匹配,逆变器选用IGBT模块,工作频率约为20kHz。系统工作时,呈现小感性,为零电流导通,对于感性负载,在一个工作周期中,功率器件导通的顺序是二极管在先,IGBT在后,这就保证了IGBT在零电流条件下导通(ZCSON),导通后电流上升速度受到谐振电路的限制。因此,IGBT的开通损耗很小,另外如图2所示,IGBT的吸收电容Cr1和Cr2的接入,限制了IGBT关断时的电压上升率,减小了关断损耗。
利用负载谐振的RLC串联谐振电路其谐振频率为fo=(1)
逆变器主电路与阻抗特性如图2所示,逆变器输出的是高频方波,变压器的漏感与容性负载谐振,电流波形接近理想正弦波。
对于如图2所示的谐振式电路,品质因素Q=(2)
(a)逆变器主电路
(b)阻抗特性
|UL|=|UC|=QUo(3)
升压变压器输出的电压是谐振后的电压,达到10~30kV,负载发生放电现象,用于产生臭氧或处理材料。
3.控制电路
用于调节输出功率的方法有可控整流调压调功、斩波调功、移相调功或PWM调功,本文设计的电源采用三相相控整流技术,通过相控整流实现输出功率的调节。虽然此种方法在深控下有输出功率因数低的缺点。但其控制方法成熟,可靠性高,对于绝大部分工作在满功率输出(α=0)情况下,不失为一种较好的选择。逆变器为半桥式电路,这是由于全桥逆变电路中输出电压中含有直流分量,在设计高频高压升压器时要考虑到直流磁通可能导致磁通饱和的问题。同时会增加磁芯损耗,增大变压器设计难度,虽然可以在输出中串联隔直电容避免这个问题,但增加了成本和复杂性。
逆变控制框图如图3所示,负载等效为一个非线性有损电容,在大功率输出情况下负载工作在谐振点附近,由实验结果来看,负载在放电火花增强过程中谐振频率下降,从未开始放电的30kHz左右下降到15kHz。如果不采用频率跟踪,无法满足大功率输出,逆变控制电路中使用了CD4046锁相环,电流相位由互感器测得,经单稳电路(抗干扰)后与直接取自控制电路输出的电压信号作边沿鉴相,4046内部有两个鉴相器,第一鉴相器是异或门鉴相器,它只能对两个占空比为0.5的方波进行鉴相。而且鉴相特性不是单调的曲线,工作时必须把某一个信号先移相90°后才能正常工作,因此采用了边沿鉴相,它可以不考虑脉冲的宽度,只关心脉冲上升沿,如图4所示,最终使信号1、2的脉冲前沿时间差为零。
锁相环一个明显的缺点是启动的时候失锁率比较高,因此,逆变控制采用他-自激转换工作方式。正常运行时为自激工作,电流相位信号取自电流互感器,经过零比较和单稳电路,送至4046。电压相位信号直接取自二分频器的输出,如图3所示。经锁相环和分频器后,形成两组与正负半波对应的方波。该方波经死区形成和驱动器产生IGBT的驱动信号。死区环节的作用在于防止逆变器上、下桥臂同时导通。启动时,取他激频率调节电位器上的电压直接作为4046内部压控振荡的控制信号,进行他激启动。当输出电流达到一定值后,比较器输出信号跳变,使电子开关动作,切断振荡器信号;同时将电流信号和电压信号送4046内部鉴相器,使系统进入自激运行状态。电压信号在进入锁相环之前,经过时滞补偿,目的在于补偿脉冲传输过程中的时间滞后。
电压型逆变器高压串联谐振技术研究
4.负载匹配
应用于高压的负载如臭氧发生器等,也等效为一个非线性有损电容。变压器即传递能量,又是谐振电路中的电感部分。高频高压变压器的设计是整个装置中的关键部分,变压器漏感必须与负载匹配,使它们工作在20kHz左右的频率,因为这直接影响到负载的工作状态。针对不同的负载,变压器的漏感都要重新设计。而在某些特殊的场合,为使负载匹配,得改变变压器的绕法,由此来改变它的漏感值。磁芯结构有E型、口字型、专为耐高压而设计的锥型及多个磁芯组成星型相连的模式等。原、副边的绕法也不尽相同,有原、副边分绕两边或同绕一个柱上等。漏感的大小是一个难以精确计算的值,不仅与磁芯的结构,原、副边的匝数、绕法有关,还与层间绝缘厚度、气隙均匀性及工艺有关。在绕好后可以用电感测试仪直接测得,对于同一种绕法,其漏感的大小不会发生很大的变化。在负载频率要求不是十分精确的情况下,这种设计方法是可行的。但如果测得的漏感与负载要求的谐振电感量大小差别很大,只能改变其绕法。一个常用的有效办法就是改变原、副边的匝数来改变漏感量。本文设计的升压变压器是E型磁芯结构。由于完全利用变压器漏感与负载谐振,变压器输出电压就是谐振电压,将达到10~30kV,在品质因素较高的情况下,变压器的变比可以相对减小。
高压绝缘是一个特别需要重视的问题。为此变压器采用油浸式,即使如此,在实验中还是多次发生原、副边击穿现象,为此我们改进了绕法,加大原、副边间距,同时使用了耐高压的绝缘材料将原副边隔离。如果由于漏感过小,可在原边或副边串联电感来使负载匹配。此时会产生另外一个问题是输出电流出现较大的畸变,发现叠加了3次、5次等低次谐波,其原因是由串联电感中的分布电容引起的,整个负载有两个靠得较近的谐振频率。同时这种电路会使变压器增加额外的电压应力。 完全利用漏感谐振的另一个注意点就是变压器的损耗问题,在大功率输出的情况下,变压器的散热条件得充分考虑。
5.实验结果
15kVA样机经过测试,功率因数接近0.9。输出电压电流波形如图5所示,其中电压为50V/div,电流25A/div。从波形图可以看出,电压电流波形接近理想,其中电流峰值附近的毛刺是高压放电所引起的。IGBT基本为零电流导通,电流稍稍滞后电压一定角度,负载呈小感性,即系统工作频率稍稍大于负载的自然振荡频率,其目的是使反并二极管零电流自然关断,从而减小逆变器反并二极管的反向恢复特性所造成的影响。
6.结论
功率逆变电路通常采用谐振和调制两种方式,对于高频功率逆变,调制方式由于受到功率开关器件的限制和一定调制比的要求,已不再适用。本文所分析的利用变压器漏感实现的高压串联谐振电路,输出波形畸变小,功率因数高,输出电路简单,无须外加补偿电感或电容。高压串联谐振技术应用范围较广,有待进一步深入研究。



