-
20 载
电测设备“智”造商
400-8818-755
-
-
-
20 载
电测设备“智”造商
400-8818-755
-
20 载
电测设备“智”造商
400-8818-755
-
20 载
电测设备“智”造商
400-8818-755
变压器三相直流电阻测试仪三相测量、两相测量、单相测量三种方法测量时流过中性点的电流是不同的,因此对于阻值很小的绕组(小于1mΩ),三种测量方法测量的结果会有些差异。对于同一侧绕组,國电西高建议使用同一种测量方法。
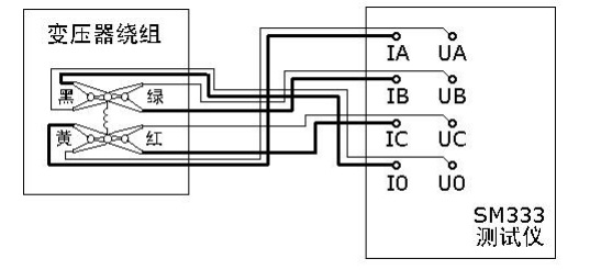
单相测量功能适用于一个绕组的测量,对于低压绕组的测量可使用此方法,此方法最大电流可达到20A,接线方法如图所示:
在状态(2)使光标移动到“单相测量”,按“确定”键即开始测量,测量结果按状态(6)格式显示。状态(6)显示A相电阻值及所施加的电流。右下脚显示测量时间(单位秒)。在状态(6)按“确定”键可储存数据,按“取消”或“复位”键可退出测量状态。
国电西高GDZRS-10U三相直流电阻测试仪是用于大容量变压器绕组直流电阻三相同时测量的仪器。该仪器可对变压器绕组三相同时测试,对有载调压变压器可直接调节分接,不需要放电,测试时间仅为传统方法的三分之一,解决了电力变压器直流电阻测试耗时长的难题。仪器采用大屏幕液晶显示,中文菜单提示,配有高速打印机,且具有数据存储功能,方便数据的读取和记录,测试数据稳定,重复性好,抗干扰能力强,充放电速度快,是现场测试变压器直流电阻的最佳选择。
如果您对国电西高的三相直流电阻测试仪感兴趣,欢迎来电咨询400-8818-755



