-
20 载
电测设备“智”造商
400-8818-755
-
-
-
20 载
电测设备“智”造商
400-8818-755
-
20 载
电测设备“智”造商
400-8818-755
-
20 载
电测设备“智”造商
400-8818-755
分压器的特点:
国电西高GDFR-C系列分体式高压分压器
1、电容分压器
(1)分布式电容分压器由多台脉冲电容器叠装而成,只有幅值误差而无波形误差;
(2)集中式电容分压器的高压臂可采用充压缩气体的标准电容器,这种电容器的电容值很准而且很稳定,介质损耗很小。由于是被屏蔽起来的,电容值不受周围物体的影响;
2、电阻分压器
(1)当它采用温度系数小的电阻丝康铜丝或温度系数小而且电阻系数高的卡玛丝绕成时,它的温度稳定性高,长期稳定性也较高;
(2)采用压缩性的电阻分压器结构,它的响应特性有可能做得比较高;
3、阻容分压器
不能兼作冲击电压发生器的负荷(调波)电容使用,它只供作为测量电压的转换装置之用。低阻尼电容分压器的串联阻尼电阻很小,它的接入不会使试验回路产生标准波发生困难,它可以兼作负荷电容使用,是一种通用分压器。
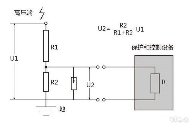
分压器的工作原理:
分压器的工作原理,下面国电西高以电阻分压器来介绍。
电阻器的分压器原理图

由于分压器输出与一次线路之间没有电气隔离,分压器主要用于:
1、接地系统的直流高压测量;
2、接地系统的相与地之间的工频交流高压测量。



