-
20 载
电测设备“智”造商
400-8818-755
-
-
-
20 载
电测设备“智”造商
400-8818-755
-
20 载
电测设备“智”造商
400-8818-755
-
20 载
电测设备“智”造商
400-8818-755
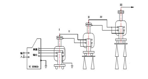
串激式试验变压器相比普通的试验变压器有着很大的优越性,因为整个试验装置由几个单台试验变压器组成,单台试验变压器容量小、电压低、重量轻,便于运输和安装。
串激试验变压器既可以串接成高出几倍的单台试验变压器输出电压组合使用,又可分开成几套单台试验变压器单独使用。
当两台试验变压器作串级联接时,第I台与第II台试验变压器容量之比为2:1,总容量为第I台容量,总电压为两单台最高输出电压之和,电流为容量与总电压之比。例:5kVA/50kV与3kVA/50kV。两台串级使用时总容量为5kVA,总输出电压为100kV,输出电流为50mA。
当三台试验变压器作串级联接时,则三台容量之比为3:2:1,总容量同样为第I台容量,总电压为三台输出电压之和。
注:无论两级串、三级串,输出电流严禁超出最后一级额定电流。



