当前位置:BTY > 技术支持 > 技术指南

电流互感器与局放检测仪如何完成接线操作呢

人看过  0 人点赞   

  【电流互感器与局放检测仪如何完成接线操作呢】局部放电试验装置里除了有局放检测仪这类主要设备,还有电流互感器等相关的设备。那么这些设备如电流互感器和局放仪之间如何接线呢,下面和国电西高小小编一起来看看电流互感器与局放检测仪如何完成接线操作。


  电流互感器局部放电试验,试验电压由外施电源产生,一般有三种检测方法:


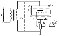
  1)输入单元和互感器串接,以杂散电容Cs取代耦合电容器Ck,其试验接线如图所示。试验变压器一般按需要选用单级变压器串接(例如单级电压为60kV的3台变压器串接),其内部放电量应小于规定的允许水平。互感器若有铁芯C端子引出,则并接在B处。电容式互感器的末屏端子也并接在B处。外壳最好接B,也可直接接地。


  2)当干扰影响测量时,可采用邻近相的互感器或性能相近的互感器连接成平衡回路的接线,如图6-5-B所示,被试互感器施加高压,非被试互感器不施加高压,以降低干扰。此时采用脉冲鉴别系统测试效果更佳。


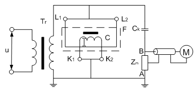
  3)输入单元和耦合电容器Ck串接,其试验接线如图所示。外壳可直接接地。

国电西高

  Tr-试验变压器;C-铁芯;F-外壳

国电西高

  Cx-被试互感器;Cc-邻近相互感器

国电西高

  以上是电流互感器和局放检测仪如何完成接线操作详细了,如果您需要局放仪检测设备,欢迎咨询!


国电西高业务范围:


试验设备销售
异型设备定制
故障排查服务
技术培训服务
试验方案设计

 

电流互感器与局放检测仪如何完成接线操作呢
0 人点赞
国电西高logo
国电西高官方电话
国电西高官方微信
返回顶部
国电西高产品认证
  • 承装(修、试)电力设施许可证:5-4-01248-2020
  • 全国免费咨询热线:400-8818-755
  • 销售热线:027-65605916 027-65612086
  • 售后服务:027-85568161 公司传真 027-65606183
  • 官方邮箱:hv@gdxgs.com
  • 公司地址:武汉市东西湖区创谷路东西湖科创中心 A1-3 栋
  • 国电西高微信公众号
    国电西高小程序
    国电西高抖音企业号
    国电西高微信视频号

    © 2026 国电西高电气有限公司 版权所有

    联系我们 法律声明 隐私政策